產品詢問 請詳細填寫下方表單資訊,廣錸儀器將在收到詢問後盡快回覆,謝謝您! 詢問產品品項 C系列夾具 三點抗彎台 NAME 姓名 SALUTATION 稱謂 請選擇您的稱謂 先生 女士 COMPANY 公司名稱 ADDRESS 聯繫地址 E-MAIL 聯繫信箱 MOBILE / TEL 聯繫電話 CONTENT 請詳細描述您的意見與想法 VERIFICATION 驗證碼 重新填寫 寄送 產品詢問已送出 感謝您的耐心填寫,廣錸儀器將在收到詢問後盡快回覆! 返回產品頁
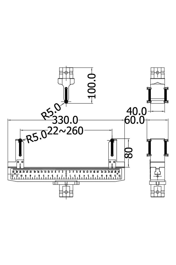
產品 夾具 C系列夾具 GR-C010 三點抗彎台 詢問本產品 產品簡介Description 容量 10kN 夾面寬度 40mm 上夾具跨距 - 下夾具跨距 22~260mm 最小荷重元 200N 適用溫度 0~200°C 上夾具重量 801g/個 下夾具重量 5342g/個 適用產業Industry 金屬、木材、玻璃、硬塑膠試片 應用案例Application ASTM D790 | ISO 178 彎曲測試
GR-C010 三點抗彎台 詢問本產品 產品簡介Description 容量 10kN 夾面寬度 40mm 上夾具跨距 - 下夾具跨距 22~260mm 最小荷重元 200N 適用溫度 0~200°C 上夾具重量 801g/個 下夾具重量 5342g/個 適用產業Industry 金屬、木材、玻璃、硬塑膠試片 應用案例Application ASTM D790 | ISO 178 彎曲測試
GR-C010 三點抗彎台 詢問本產品 產品簡介Description 容量 10kN 夾面寬度 40mm 上夾具跨距 - 下夾具跨距 22~260mm 最小荷重元 200N 適用溫度 0~200°C 上夾具重量 801g/個 下夾具重量 5342g/個 適用產業Industry 金屬、木材、玻璃、硬塑膠試片 應用案例Application ASTM D790 | ISO 178 彎曲測試